* No-shock water under 120 ℃ : 20 Kgf/ cm²
* Steam, Air, Oil , Pulse stream under 220 ℃ : 16kgf/cm²
You can click the QR code below or click the email button to send an email for a quote.
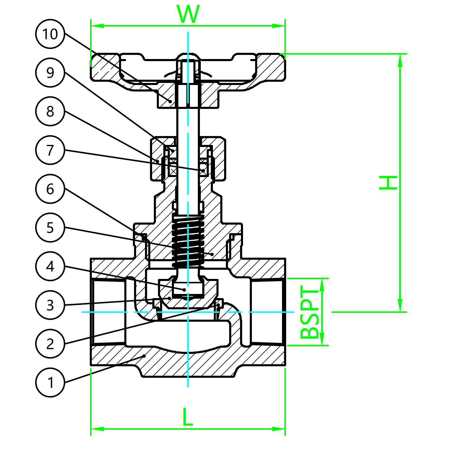
| PRODUCT SERIES: | GLOBE VALVE | MODEL: | RJ11H-16KQ |
| DESIGN AND MANUFACTURE: | JIS 2031 | FACE TO FACE: | JIS B2011 |
| SIZE: | 1/8"- 2" | BODY MATERIAL: | FCD450 |
| BONNET MATERIAL: | FCD450 | TRIM MATERIAL: | SS410 |
| SEAT MATERIAL: | SS410 | WORK PRESSURE: | 10K , 16K , 20K |
| MAX. TEMPERATURE: | +350 ℃ | TEST: | JIS B2003 |

Mob: +86-13566754217 Tracy.Hu
E-Mail: info@ylvalve.com
E-Mail: tracy@ylvalve.com
COPYRIGHT © YONGKANG LIANGGONG VALVE CO., LTD. ALL RIGHTS RESERVED. 浙ICP备20003517号-1

